1. Bộ trao đổi nhiệt dạng ống, shell and tube heat exchanger, bộ làm mát dầu thuỷ lực dạng ống, sinh hàn dạng ống
Gia Thịnh nhận cung cấp và gia công thiết bị trao đổi nhiệt dạng ống, bộ làm mát dầu thuỷ lực dạng ống, sinh hàn dạng ống, sinh hàn nước biển dạng ống, bộ trao đổi nhiệt dạng ống ren, shell and tube heat exchanger, oil cooler của các thương hiệu hàng đầu như: ALLIED HEAT TRANSFER (Australia), BOWMAN (UK, England), AIDEAR (Trung Quốc),…
Tuỳ theo yêu cầu thiết kế và môi chất làm việc, thiết bị trao đổi nhiệt dạng ống chùm thường được chế tạo với vật liệu:
Sản phẩm thiết bị trao đổi nhiệt dạng ống được Gia Thịnh cung cấp có đầy đủ CO,CQ, test report và giấy chứng nhận bảo hành từ chính hãng.
Thời gian giao hàng bộ trao đổi nhiệt dạng ống thường 2-3 tuần, có những model có sẵn stock, có thể đáp ứng yêu cầu gấp từ phía khách hàng.
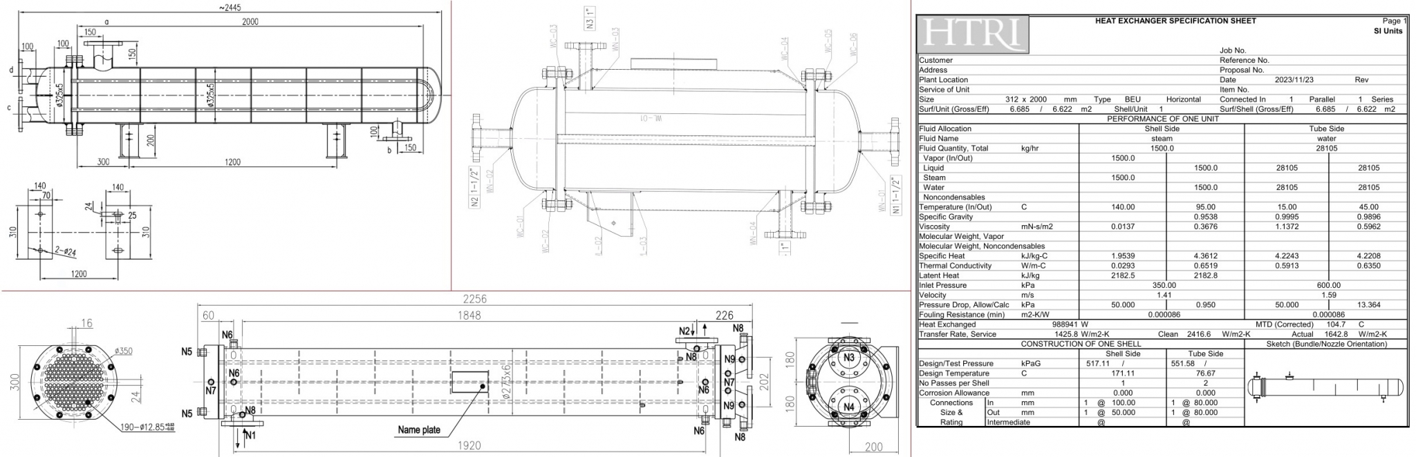
2. Gia Thịnh Gia công, sửa chữa thiết bị trao đổi nhiệt dạng ống theo yêu cầu
Thiết kế cơ khí và thiết kế nhiệt được hỗ trợ từ các hãng mà Gia Thịnh làm đại lý uỷ quyền

Cung cấp thiết kế cơ khí và thiết kế nhiệt có sự hỗ trợ của hãng Gia Thịnh làm đại lý uỷ quyền
Thời gian thiết kế bộ trao đổi nhiệt và phản hồi thông tin, báo giá tới khách hàng chỉ 1-2 ngày.
Với phần mềm mô phỏng nhiệt và hỗ trợ tính toán, thiết kế, tư vấn thiết kế từ các hãng Châu Âu, Nhật Bản, Đài Loan, Trung Quốc.
Gia Thịnh có thể gia công ruột một số loại thiết bị trao đổi nhiệt tại Việt Nam theo yêu cầu của khách hàng.

Gia Thịnh gia công bộ ruột dạng ống theo bản vẽ hoặc bộ mẫu từ khách hàng
Gia Thịnh gia công bộ trao đổi nhiệt dạng ống hoàn chỉnh
Theo yêu cầu của khách hàng, Gia Thịnh có thể gia công bộ trao đổi nhiệt dạng ống với kết cấu: 1 pass, 2 pass, 3 pass, 4 pass. Vật liệu bộ trao đổi nhiệt bao gồm: Vỏ thép, ống đồng – Vỏ thép, ống thép – Vỏ inox304, ống đồng – Vỏ inox304 ống inox 304 hoặc 316 – Vỏ và ống inox vi sinh 304, 316

Gia Thịnh gia công bộ trao đổi nhiệt hoàn chỉnh theo yêu cầu của khách hàng
Bộ làm mát dạng ống sau khi gia công, được test áp lực 10-15 bar, thậm chí 20-25 bar theo yêu cầu của khách hàng và điều kiện bài toán thiết kế.
Sản phẩm sau khi test áp, được cung cấp giấy chứng nhận xuất xưởng, Biên bản kiểm tra áp lực và bảo hành 12-18 tháng từ Gia Thịnh
Hotline